Gyro Air G-700: Troubleshooting Error Code Err15 (Inovance VFD)
Created by Gabriel Izzo, Modified on Tue, 19 May at 2:58 PM by Gabriel Izzo
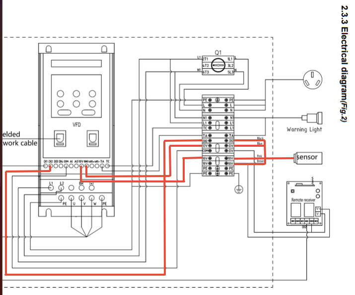
The G-700 uses a Variable Frequency Drive (VFD) as the central hub that all electrical components connect through to communicate with the motor. This includes the dust bin full sensor and the remote receiver. An Err15 code indicates an external fault has been triggered by one of these components.
To determine whether the sensor is working correctly:





Disconnecting the sensor removes the automatic dust bin full protection. This is only recommended for specific situations where the benefits outweigh the risk of overfilling the bins and filters — for example, with high-static materials such as PVC dust that frequently adhere to the sensor and trigger false alarms.
If the issue persists after all prior steps, disconnect the sensor's DI2 communication wire from terminal DI2. Wrap the exposed wire end securely with electrical tape and/or a wire cap, then test the machine to confirm it starts and runs without triggering an external fault.


If the issue persists after all troubleshooting steps, please contact our support team for further assistance.
Was this article helpful?
That’s Great!
Thank you for your feedback
Sorry! We couldn't be helpful
Thank you for your feedback
Feedback sent
We appreciate your effort and will try to fix the article