Turbo T-40 Wood Lathe: Dimensions

Created by Gabriel Izzo, Modified on Wed, 20 May at 6:06 PM by Gabriel Izzo

Turbo T-40 Wood Lathe · Specifications
Dimensions
Applicable Model
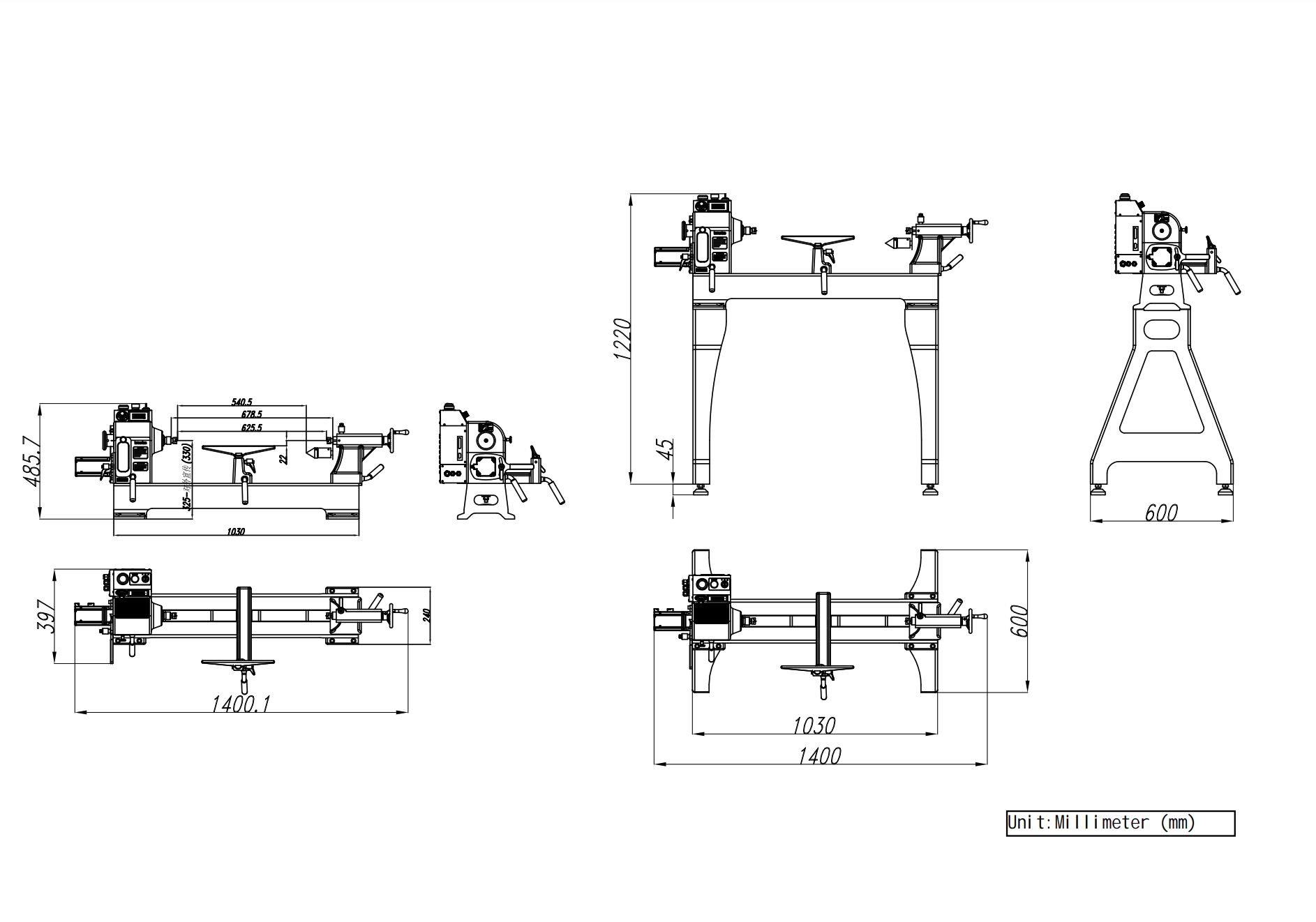
Harvey Turbo T-40 Wood Lathe
T-40 Dimensions Diagram
Turbo T-40 wood lathe dimensions diagram
CI-40 Cast Iron Leg Dimensions
DimensionMetricImperial
Height728 mm28.66″
Width600 mm23.62″
i

For additional dimensional specifications or installation questions, please contact our support team.

Was this article helpful?

That’s Great!

Thank you for your feedback

Sorry! We couldn't be helpful

Thank you for your feedback

Let us know how can we improve this article!

Select at least one of the reasons
CAPTCHA verification is required.

Feedback sent

We appreciate your effort and will try to fix the article